Отдельная благодарность Павлу Боюкову
за помощь в реализации проекта!!
Все электронные детали содержат сопротивление, емкость или индуктивность или комбинацию их. Прибор, описанный в этой статье, обеспечивает измерение комбинации двух параметров одновременно.
Технические характеристики прибора.
Прибор измеряет, следующие параметры и выводит одновременно на экран (рис. 3):
- параллельную и последовательную индуктивность Lp, Ls;
- параллельную и последовательную емкость Сp, Cs;
- параллельное и последовательное сопротивление Rp, Rs;
- тангенс угла потерь D(tg );
- добротность Q;
- импеданс Z.
|
Измеряемый
параметр
|
Частота тестового сигнала |
| 100Гц |
1кГц |
10кГц |
50кГц |
| R |
0.001Ом-20МОм |
0.001Ом-20МОм |
0.001Ом-20МОм |
0.001Ом-20МОм |
| L |
2мкГн-20кГн |
0.1мкГн-2кГн |
0.01мкГн-200Гн |
0.002мкГн-20Гн |
| C |
2рФ-22 000мкФ |
0.05рФ-2200мкФ |
0.002*пФ-220мкФ |
0.001*пФ-22мкФ |
*при питании от ноутбука, не включенного в сеть.

схема (для увеличения нажмите на картинку)
Описание и работа .
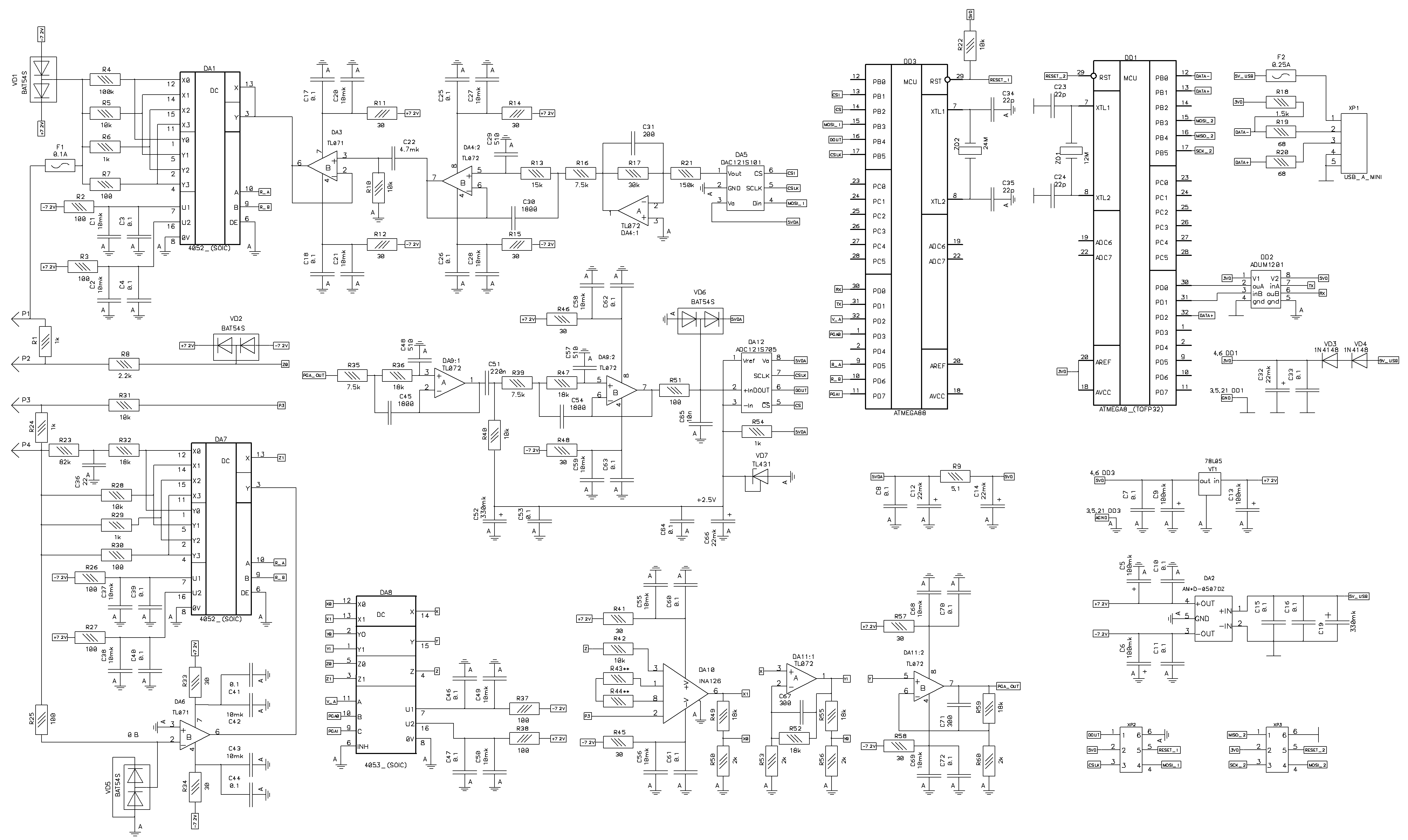
В основу работы прибора положен метод вольтметра-амперметра т.е на измеряемом элементе измеряем напряжение и проходящий через него ток. Отношение комплексного напряжения и тока и есть измеряемое сопротивление. Структурная схема прибора приведена на рис.1

рис.1
Напряжение рабочей частоты от генератора подается на измеряемый объект, подключаемый к преобразователю Y -- UT, UH. Преобразователь формирует два напряжения, одно из которых (UT) пропорционально току, протекающему через измеряемый объект, другое (UH) - напряжению на нем. Отношение этих напряжений равно комплексному сопротивлению (Z) объекта. Измерение отношения напряжений проводится аппаратно-программным логометром.
Аппаратная часть логометра состоит из коммутатора, масштабного усилителя, фильтра низкой частоты, аналого-цифрового преобразователя (АЦП). В программной части дискретная рабочая частота дополнительно пропускается через цифровой фильтр (полосовой КИХ - фильтр) и итогом работы программной части логометра является расчет отношений напряжений. Получаем комплексное сопротивление Z=R+i*X, где R- активное сопротивление, а X реактивное сопротивление. Последовательное сопротивление Rs=R. Если X<0 то имеем последовательную емкость. Cs= 1/(2*3.14*f*X). При X>0 имеем последовательную индуктивность Ls=X/(2*3.14*f ), где f - частота измерения. Добротность вычисляется Q=X/R, а тангенс угла потерь D=1/Q.
В зависимости от выбранного режима цифро-аналоговым преобразователем DA5 формируется синус с частотой 100 Гц, 1кГц, 10 кГц, 50 кГц. Сигнал фильтруются фильтром низкой частоты DA4 и подается на усилитель тока DA3. Микроконтроллер сигналами управления R_A, R_B, подаваемыми на коммутатор DA1, подключает один из с резисторов R4, R5, R6, R7 последовательно измеряемому элементу(Z), выбирая ток в зависимости от номинала последнего.
Падение напряжения на Z через резисторы R8, R31, DA8, R42 подается на вход инструментального усилителя DA10. Ток через Z снимается в виде напряжения с образцовых резисторов R23+R32,R28,R29,R30 . Один из резисторов в зависимости от величины тока подключен через коммутатор DA7 в обратную связь усилителя DA6. Напряжение через элементы R31, DA7, DA8, R42 подается также на вход усилителя DA10. С него сигнал поступает на масштабный усилитель DA11. В зависимости от уровня сигнала сигналами управления PGA0, PGA1 выставляется необходимый коэффициент усиления 1, 10, 100. На микросхеме DA9 собран активный фильтр низкой частоты(ФНЧ). Сигнал после масштабного усилителя и ФНЧ подается на АЦП DA12. Оцифрованные сигналы тока и напряжения через преобразователь интерфейса UART-USB (DD1) поступают на компьютер, где происходит дальнейшая фильтрация (цифровой КИХ фильтр) и обработка. Информация выводится на монитор компьютера.
Питание прибора производится от разъема miniUSB +5В. Напряжение +-7.2 В формируется импульсным преобразователем напряжения DA2. Предохранитель F2 защищает компьютер от коротких замыканий в приборе. Элементы F1, R8, VD2, R25, VD5 защищают элементы прибора при подключении не разряженных конденсаторов. Через микросхемы DA2 , DD2 происходит гальваническая развязка сигналов и питания для уменьшения помех поступающих на входные разъемы устройства.
Фото готового прибора и выводимой на экран компьютера информации.


Рис.2 Рис.3
продолжение