Частотомер 2ГГц, измеритель ёмкости и индуктивности или универсальный прибор
радиолюбителя.(одна из версий публиковалась в журнале РАДИО 8 за 2007г.) .
Приставка для измерения ESR и ёмкости.
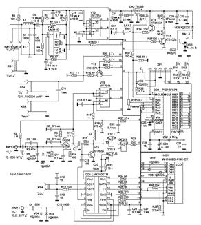
Описываемый ниже прибор позволяет в широких пределах измерять частоту электрических колебаний, а также ёмкость и индуктивность электронных компонентов с высокой точностью. Имеет разъемы для проверки кварцев и измерения постоянного напряжения. Имеет в своем составе генератор. В режиме частотомера возможно одновременное измерение частоты и напряжения. Конструкция обладает минимальными размерами, массой и энергопотреблением. Для прибора выбран экономичный микроконтроллер PIC16F873A, имеющий в своем составе достаточно высокочастотный предварительный делитель с верхней границей около 50МГц.
Схема прибора.
Обсуждение на форуме.
|
Технические характеристики |
|
|
Напряжение питания |
7…15 В |
| Частотомер - ток потребления | 14…21 мА |
| Пределы измерения, в режиме: | |
| F1 | 0,01…50 МГц при периоде измерения 0,2 c/1c/10c |
| F2 | 40…500 МГц при периоде измерения 0,25c |
| F3 | 200...2000 МГц при периоде измерения 0,25с |
| Проверка кварцев | от 1 до 20 МГц |
| Измеритель LC - ток потребления | 11 мА |
| С | 0,1 пФ…0,1 мкФ |
| L | 0,1 мкГн…5 Гн |
| C1 | 0,1 мкФ до 10 000мкФ |
| U | 0-15B постоянное напряжение |
| Ток потребления, | 6мА |
| Fгенератора=Fкварца/4/m/n, где n=1, 4, 16, а m=1…256 | |
| Точность измерения*, в режиме: | |
| F1 | -5/-1/-0,1 Гц при периоде измерения 0,2 c/1c/10с |
| F2 | -100 Гц |
| F3 | -384 Гц |
| C,С1 | 1 % |
| L | 2…10 % |
| U | 0.02B |
|
* при уходе частоты опорного кварца погрешность увеличивается. |
|
Выбор режимов осуществляется вращением резистора R32 и нажатием кнопок SB1 (+), SB2 (-). В зависимости от положения переменного резистора R32 микроконтроллер открывает транзисторные ключи модулей VT3, VT4 подавая питание на тот или иной узел. Если вращать R32 из крайнего левого положения по часовой стрелке, то последовательность режимов следующая: калибровка, L/C-режим, F1-режим измерения частоты до 50 МГц, F2-режим измерения частоты до 500 МГц, измерение постоянного напряжения. Другие режимы выбираются нажатием кнопок SB1, SB2.
Конструктивно прибор выполнен на двухсторонней печатной плате, на которой размещены все элементы, за исключением индикатора и диодов D7, D8. Плата выполнена под "лазерно-утюжную " технологию. Металлизация заменяется тонкими проводниками. На плате есть место под 7 контактный разъем для подключения приставки для измерения ESR.










При сборке использованы преимущественно SMD- элементы: резисторы типоразмера 0805, конденсаторы 0805, 0603. Синтезатор без доработки платы заменим на LMX1601TM (верхняя граница уменьшиться с 2 до 1.1 МГц, а разрешение до 200Гц). Микроконтроллер можно заменить на PIC16F873, PIC16F876(A).DA1 любая из LM311, К544СА3. Индикатор 16x2 любой поддерживающий протокол HD44780. Хочу обратить внимание, что при применении другого, чем в схеме необходимо уточнить распайку 1 и 2 вывода индикатора. Даже индикаторы одной фирмы имеют разную распайку выводов питания. Реле К1 можно заменить на любое на 5 В и сопротивление замкнутых контактов должно быть минимальным, но не более 0,5 Ом. В этом случае параллельно выводам питания реле нужно включить защитный диод. В качестве XP1 удобно использовать половинку панельки под м/с. Катушка L1 должна обладать максимальной добротностью и минимальной собственной ёмкостью. Можно применить дроссели Д, ДМ, ДПМ индуктивностью 82-125 мкГн. Конденсатор C7 ёмкостью 510…680 пФ с TKE П33, MП0. Конденсатор C4 ёмкостью в пределах 1000…2000 пФ с TKE MП0. Транзистор VT2 любой другой высокочастотный с верхней границей 900 МГц. Переменный резистор R32 типа СП4-1 или другой малогабаритный. При применении LMX1600 диоды VD3, VD4 необходимо заменить более высокочастотными. Происходит завал на частотах выше 1,4 ГГц. Транзистор BF998 в корпусе SOT-143 при применении печатки с сайта необходимо припаять вверх ногами. Широкий вывод к R14,C11. Транзистор BF998 в корпусе SOT-143R также широким выводом к R14,C11.
Кто на сайте
Сейчас 29 гостей и ни одного зарегистрированного пользователя на сайте

